Can't use this link. Check that your link starts with 'http://' or 'https://' to try again.
Unable to process this search. Please try a different image or keywords.
Try Visual Search
Search, identify objects and text, translate, or solve problems using an image
Drag one or more images here,
upload an image
or
open camera
The photos you provided may be used to improve Bing image processing services.
Privacy Policy
|
Terms of Use
Drop image anywhere to start your search
To use Visual Search, enable the camera in this browser
All
Search
Images
Inspiration
Create
Collections
Videos
Maps
News
More
Shopping
Flights
Travel
Notebook
Top suggestions for Traffic Light Control Using plc
plc Traffic Light
plc Ladder Diagram for
Traffic Light
Traffic Light Control plc
Traffic Light plc
Code
Four-Way Traffic Light plc
Ladder Diagram
plc Program for
Traffic Light Control
Traffic Light Control
System Using plc
plc Traffic Light
Ladder Logic
Traffic Light
Controller Using plc
plc Fiddle
Traffic Light
Traffic Light plc
Programming
Traffic Light Control
Project
plc Traffic Light
Circuit Diagram
Traffic Light
Lamp plc
Simple Traffic Light plc
Ladder Diagram
Mitsubishi plc Ladder for
Traffic Light
plc Traffic Light
for Newbies
Traffic Light
Schematic/Diagram
Looping
plc Traffic Light
Traffic Light Using plc
Software Ladfder Diagram for Semanc
Simulation
plc Traffic Light
Coep
plc Traffic Light
plc Traffic-Control
Baxter TN
plc Traffic Control
Truck
plc Traffic Light Control
Table
My plc
Training Control Light
Traffic Light Control Using plc
Seimens
Traffic Light plc
Diagrm
Traffic Light Control Using plc
Simulator
4-Way
Traffic Light in plc
Traffic Light plc
Controller Vector
Traffic Light
System plc Demo
plc
Ladder Logic Examples
Traffic Signal plc
Ladder Logic
plc Traffic Light
Rockwell Automation
Automatic Traffic Light Control
System
plc
Diagram for Traffic Lights
Rangkaian plc
FX Traffic Light
Microwin plc
Code Traffic Light
Traffic Light plc
Ladder Diagram PDF
plc Stop Light
Program
Objective of
Traffic Light plc
Control Light Traffic
FPGA
How to Make Blinking
Traffic Light with plc
Using a Counter for
Traffic Light plc Workbench
Traffic Light Control Using
Mux plc Lad
McGraw-Hill
Traffic Light plc
Traffic Lights Control Using
Pneumatic Timer
Open
plc Traffic Light
Traffic Light
Controol System
Explore more searches like Traffic Light Control Using plc
Control
Table
Circuit
Model
System
Diagram
Distance Proximity
Sensor
Proximity
Sensor
Connection
Diagram
Control
System
For
Pedestrian
Controlled
Cabinet
Loop
Rajah
Tangga
Controller
Using
Ladder Diagram
Schneider
Kit Allen
Bradley
Ladder Diagram
GX Developer
Fiddle One
Direction
Wiring Diagram
for 4 Way
Controlled Ground
Sensors
Ladder Diagram
Delta
People interested in Traffic Light Control Using plc also searched for
Electrical
Panel
User
Interface
System
Pic
System
Components
Process
Parameters
Subpanel
For
Parts
John
Remote
Data
62 P13
K312
Map
Match
System
Graphics
Panel
3D
Panel
Free
Is
Motor
Panel
Front
Systems
Autoplay all GIFs
Change autoplay and other image settings here
Autoplay all GIFs
Flip the switch to turn them on
Autoplay GIFs
Image size
All
Small
Medium
Large
Extra large
At least... *
Customized Width
x
Customized Height
px
Please enter a number for Width and Height
Color
All
Color only
Black & white
Type
All
Photograph
Clipart
Line drawing
Animated GIF
Transparent
Layout
All
Square
Wide
Tall
People
All
Just faces
Head & shoulders
Date
All
Past 24 hours
Past week
Past month
Past year
License
All
All Creative Commons
Public domain
Free to share and use
Free to share and use commercially
Free to modify, share, and use
Free to modify, share, and use commercially
Learn more
Clear filters
SafeSearch:
Moderate
Strict
Moderate (default)
Off
Filter
plc Traffic Light
plc Ladder Diagram for
Traffic Light
Traffic Light Control plc
Traffic Light plc
Code
Four-Way Traffic Light plc
Ladder Diagram
plc Program for
Traffic Light Control
Traffic Light Control
System Using plc
plc Traffic Light
Ladder Logic
Traffic Light
Controller Using plc
plc Fiddle
Traffic Light
Traffic Light plc
Programming
Traffic Light Control
Project
plc Traffic Light
Circuit Diagram
Traffic Light
Lamp plc
Simple Traffic Light plc
Ladder Diagram
Mitsubishi plc Ladder for
Traffic Light
plc Traffic Light
for Newbies
Traffic Light
Schematic/Diagram
Looping
plc Traffic Light
Traffic Light Using plc
Software Ladfder Diagram for Semanc
Simulation
plc Traffic Light
Coep
plc Traffic Light
plc Traffic-Control
Baxter TN
plc Traffic Control
Truck
plc Traffic Light Control
Table
My plc
Training Control Light
Traffic Light Control Using plc
Seimens
Traffic Light plc
Diagrm
Traffic Light Control Using plc
Simulator
4-Way
Traffic Light in plc
Traffic Light plc
Controller Vector
Traffic Light
System plc Demo
plc
Ladder Logic Examples
Traffic Signal plc
Ladder Logic
plc Traffic Light
Rockwell Automation
Automatic Traffic Light Control
System
plc
Diagram for Traffic Lights
Rangkaian plc
FX Traffic Light
Microwin plc
Code Traffic Light
Traffic Light plc
Ladder Diagram PDF
plc Stop Light
Program
Objective of
Traffic Light plc
Control Light Traffic
FPGA
How to Make Blinking
Traffic Light with plc
Using a Counter for
Traffic Light plc Workbench
Traffic Light Control Using
Mux plc Lad
McGraw-Hill
Traffic Light plc
Traffic Lights Control Using
Pneumatic Timer
Open
plc Traffic Light
Traffic Light
Controol System
624×710
learn.automationcommunity.com
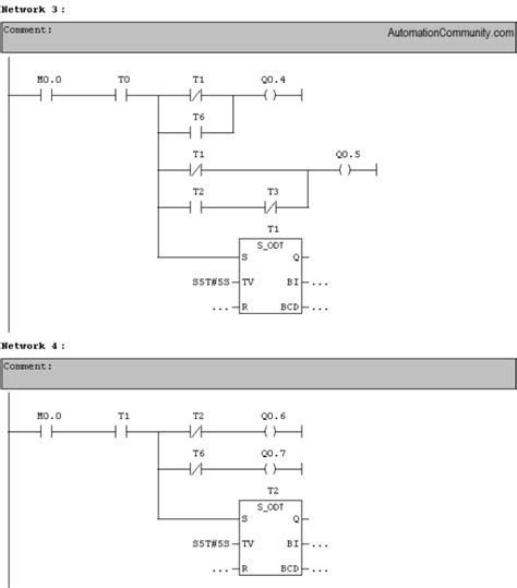
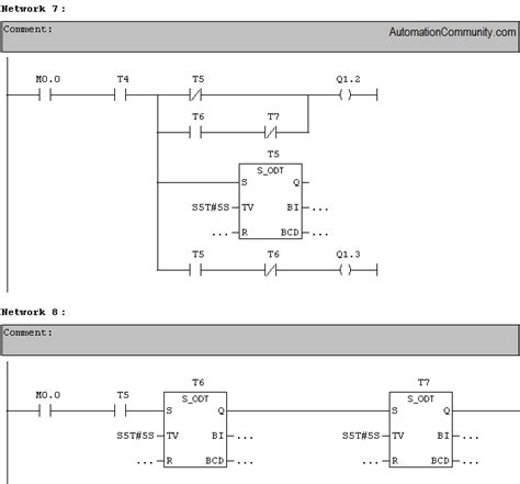
Traffic Light Control using PLC Ladder Lo…
664×619
learn.automationcommunity.com
Traffic Light Control using PLC Ladder Logic Program…
2620×4376
infoupdate.org
Traffic Light Plc Program Siem…
1280×720
infoupdate.org
Traffic Light Plc Program Siemens Plc Programming - Infoupdate.org
Related Products
Controller Board
Industrial PLC Controllers
Programmable Logic Controllers
1280×720
infoupdate.org
Traffic Light Plc Program Siemens Plc Programming - Infoupdate.org
5000×2936
infoupdate.org
Traffic Light Plc Program Siemens Plc Programming - Infoupdate.org
582×569
learn.automationcommunity.com
Three way Traffic Light Control using PLC - Aut…
1004×705
learn.automationcommunity.com
Three way Traffic Light Control using PLC - Automation Community
420×283
instrumentationtools.com
Traffic Light Control using PLC Ladder Logic | Traffic light PLC Program
420×185
instrumentationtools.com
Traffic Light Control using PLC Ladder Logic | Traffic light PLC Program
800×450
linkedin.com
Instrumentation Tools on LinkedIn: PLC Traffic Light Control using Sequencer In…
768×545
instrumentationtools.com
Traffic Light Control using PLC Ladder Logic | Traffic light PL…
Explore more searches like
Traffic Light
Control Using
plc
Control Table
Circuit Model
System Diagram
Distance Proximity Se
…
Proximity Sensor
Connection Diagram
Control System
For Pedestrian
Controlled
Cabinet
Loop
Rajah Tangga
571×359
instrumentationtools.com
Traffic Light Control using PLC Ladder Logic | Traffic light PLC Program
850×694
americanwarmoms.org
Plc Ladder Diagram For Traffic Light Control Using Timers Pdf | Americanwarmoms.org
320×414
slideshare.net
Traffic light using plc | DOCX
638×826
slideshare.net
Traffic light using plc | DOCX
850×720
instrumentationtools.com
PLC based 4 Way Traffic Light Control System | Instrumentati…
1000×1500
desertcart.in
Buy PLC Program Imple…
1427×518
fity.club
Traffic Light Control System Plc 4 Way Traffic Light PLC Program
796×554
fity.club
Traffic Light Control System Plc 4 Way Traffic Light PLC Program
2914×1921
instrumentationtools.com
PLC Program for Traffic Light Sequence using Functional Blocks
2868×1679
instrumentationtools.com
PLC Program for Traffic Light Sequence using Functional Blocks
640×640
ResearchGate
(PDF) Intelligent traffic control system using PLC
1826×1346
infoupdate.org
Traffic Light Control System Pdf Notes - Infoupdate.org
1280×720
fity.club
Plc Traffic Light Circuit Diagram A Simple Ladder Diagram With NO And
638×826
maynardpestcontrolhickoryncbusurei.blogspot.com
Maynard Pest Control Hickory Nc: Plc Progra…
510×538
maynardpestcontrolhickoryncbusurei.blogspot.com
Maynard Pest Control Hickory Nc…
557×601
maynardpestcontrolhickoryncbusurei.blogspot.com
Maynard Pest Control Hickory Nc…
1280×720
maynardpestcontrolhickoryncbusurei.blogspot.com
Maynard Pest Control Hickory Nc: Plc Programming Traffic Light Control
People interested in
Traffic Light
Control
Using
plc
also searched for
Electrical Panel
User Interface
System Pic
System Components
Process
Parameters
Subpanel For
Parts
John
Remote Data
62 P13 K312
Map
638×826
maynardpestcontrolhickoryncbusurei.blogspot.com
Maynard Pest Control Hickory N…
982×616
theengineeringprojects.com
Traffic Signal Control with PLC Ladder Logic Programming - The Engineering Projects
1024×935
theengineeringprojects.com
Traffic Signal Control with PLC Ladder Logic Program…
744×420
theengineeringprojects.com
Traffic Signal Control with PLC Ladder Logic Programming - The Engineering Projects
2604×1410
gioieslep.blob.core.windows.net
Traffic Light Control Diagram at Cynthia Johnson blog
1280×720
fity.club
Traffic Light Ladder Logic Diagram PLC Traffic Light Control System
Some results have been hidden because they may be inaccessible to you.
Show inaccessible results
Report an inappropriate content
Please select one of the options below.
Not Relevant
Offensive
Adult
Child Sexual Abuse
Feedback